MẶT BÍCH ANSI/ASME B16.5 WELD NECK FLANGE CLASS 150
|
HUY PHAT FLANGES
|
|
1. Standard: ANSI B16.5, ASME B16.5
2. Type: Welding Neck Flange, WN Flange (Raised Face) 3. Pressure: Class 150 4. Size: 1/2" - 24", larger Sizes available on request 5. Raw Material: Carbon Steel: ASTM A105, A350 6. Process: Forged or Stamped 7. ASTM raw material specification |
Công ty TNHH XNK Vật Tư Thiết Bi Huy Phát chuyên nhập khẩu phân phối các loại MẶT BÍCH ANSI/ASME B16.5 WELD NECK FLANGE CLASS 150 sản phẩm phụ kiện chuyên kết nối đường ống. Các loại mặt bích mục đích chính dùng để kết nối ống với nhau trong quá trình vận hành các bộ phận liên kết tạo khơi thông dòng chảy.
|
||||||||||||||||||||||||||||||||||||||||||||||||||||||||||||||||||||||||||||||||||||||||||||||||||||||||||||||||||||||||||||||||||||||||||||||||||||||||||||||||||||||||||||||||||||||||||||||||||||||||||||||||||||||||||||||||||||||||||||||||||||||||||||||||||||||||||||||||||||||||||||||||
|
|
||||||||||||||||||||||||||||||||||||||||||||||||||||||||||||||||||||||||||||||||||||||||||||||||||||||||||||||||||||||||||||||||||||||||||||||||||||||||||||||||||||||||||||||||||||||||||||||||||||||||||||||||||||||||||||||||||||||||||||||||||||||||||||||||||||||||||||||||||||||||||||||||
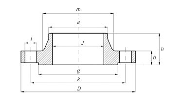
1. Class 150 flanges except Lap Joint will be furnished with 0.06 (1.6mm) raised face, which is included in ‘Thickness’ (C) and ‘Length through Hub’ (Y1), (Y3).
2. For Slip-on, Threaded, Socket Welding and Lap Joint Flanges, the hubs can be shaped either vertical from base to top or tapered within the limits of 7 degrees.
3. Blind Flanges may be made with the same hub as that used for Slip-on Flanges or without hub.
4. The gasket surface and backside (bearing surface for bolting) are made parallel within 1 degree. To accomplish parallelism, spot facing is carried out according to MSS SP-9, without reducing thickness (C).
5. Depth of Socket (D) is covered by ANSI B 16.5 only in sizes through 3 inch, over 3 inch is at the manufacturer’s option.
ANSI B16.5 FLANGE - AWWA C207 FLANGE - SLIP ON RF FLANGE - WELDING NECK FLANGE - LAP JOINT FLANGE - SOCKET WELD FLANGE - BLIND FLANGE RF - PLRF FLANGE - 150LBS - 300LBS - 600LBS - 900LBS - CLASS D FLANGE - CLASS E FLANGE - CLASS F FLANGE - RING FLANGE - BLIND FLANGE - HUB FLANGE - A105 FLANGE
Ngoài ra Công ty TNHH XNK Vật Tư Thiết Bi Huy Phát chuyên cung cấp các loại phụ kiện ren mạ kẽm như:co (cút) ren, co lơi ren, co điếu ren, tê ren, tê giảm ren, kép ren (hai đầu ren ngoài), rắc co ren, rắc co hơi, măng sông, bầu giảm ren, cà rá (lơ thu), nút ren, nắp ren, măng sông hàn, xem 1 tấc, xem 2 tấc, MẶT BÍCH ANSI/ASME B16.5 WELD NECK FLANGE CLASS 150
Hàng nhập khẩu trực tiếp từ : Hàn Quốc, Nhật Bản sản phẩm có chất lượng cao, dầy, không bị xì, mọt, đảm bảo an toàn khi thi công hệ thống nước, PCCC... Các sản phẩm đều có chứng chỉ chất lượng, xuất xứ (C/O, C/Q) ….
Hãy liên hệ ngay với chúng tôi 24/7 các ngày trong tuần để được biết chi tiết MẶT BÍCH ANSI/ASME B16.5 WELD NECK FLANGE CLASS 150:
***************************************************
CTY TNHH XNK Vật Tư Thiết bị Huy Phát
Địa chỉ : 60/3C Tổ 4, Ấp Chánh 1, X. Tân Xuân, H. Hóc Môn, TP HCM
Địa chỉ Kho: 252/4/42A Quốc Lộ 1A, P Bình Hưng Hòa B, Q Bình Tân, TP. HCM
Hotline : 0909 65 11 67 - 0981 64 31 81 Mr Dũng
: 0967 65 59 54 - 0902 72 46 71 Mr Chiến
: 0934 428 566 Chị Vui
Email :vattuhuyphat@gmail.com
Web :https://thepongseah.com.vn/




Xem thêm